
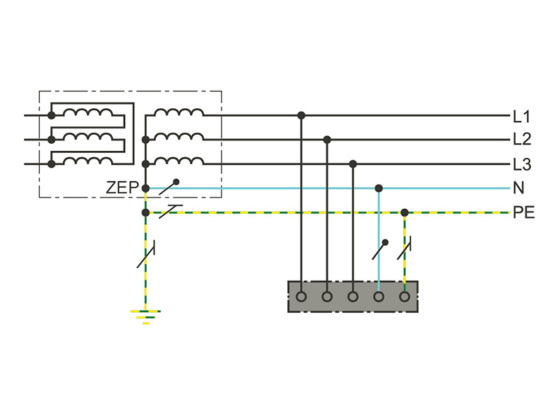
In TN-S-Systemen werden der Neutralleiter (N) und Schutzleiter (PE) konsequent voneinander getrennt ausgeführt. Lediglich an einem Punkt darf der Neutralleiter mit PE verbunden werden, am zentralen Erdungspunkt (ZEP).
Mehrfacherdungen des Neutralleiters (oft als PEN-Brücken bezeichnet) müssen unbedingt vermieden werden, da diese zu Streu- oder Störströmen führen. Diese fließen zum Beispiel über die Schirmungen von Netzwerkkabeln oder über leitfähige Teile der Gebäudekonstruktion (Fundamenterder) oder Wasser- und Gasleitungen über die Potentialausgleichsleitungen und können zu Korrosion und EMV-Störungen führen und den zuverlässigen Betrieb einer elektrischen Anlage beeinträchtigen.
Vor allem in Bestandsgebäuden sind elektrische Anlagen oft als TN-C-System ausgeführt. Das heißt, PE- und N-Leiter sind nicht konsequent getrennt ausgeführt. Die Norm DIN VDE 0100-444 empfiehlt den Umbau zu einem TN-S-System, um elektromagnetische Störungen zu vermeiden. Allerdings lassen sich Mehrfacherdungen nach einem Umbau nie gänzlich ausschließen. In der Praxis sind es oftmals neue Betriebsmittel, welche ab Werk eine PEN-Brücke besitzen oder es werden aufgrund von Sparmaßnahmen 4-adrige Leitungen anstelle 5-adrigen Leitungen verwendet. In weit entfernten Gebäuden kann auch die Nichteinhaltung von Abschaltbedingungen entweder den Einsatz eines RCD oder eines zusätzlichen Erdungspunkts erfordern.
Um Mehrfacherdungen und Streuströme in einem TN-S-System zu erkennen und damit ein hohes Niveau an elektromagnetischer Verträglichkeit (EMV) zu gewährleisten, sollte der zentrale Erdungspunkt (ZEP) permanent überwacht werden. Mithilfe eines Stromwandlers am ZEP können Streuströme und physikalisch bedingte Ableitströme der Betriebsmittel gemessen werden. Tritt ein hoher Strom am PE mit Frequenz von 50 Hz auf, kann dies ein Indiz für Mehrfacherdungen im TN-S-System sein. Mittels einer permanenten Überwachung von Strömen am ZEP erhält der Betreiber einen ersten Hinweis und kann seine elektrische Anlage in Bezug auf mögliche vorhandene PEN-Brücken und steigende Ableitströme bewerten.

Ein ZEP-Monitoringsystem bietet dem Betreiber 24/7 die Möglichkeit, Mehrfacherdungen in seiner elektrischen Anlage und spontan ansteigende Ableitströme zu erkennen. Ein solches System ist zugleich der Einstieg in ein ganzheitliches Differenzstrom-Monitoring von vagabundierenden Strömen, Ableit- und Fehlerströmen.
Speziell Bestandsanlagen müssen auf ihre elektromagnetische Verträglichkeit (EMV) hin überprüft und optimiert werden. Bei Umbau- oder Erweiterungsmaßnahmen ist eine permanente ZEP-Überwachung die Basis für einen sicheren und zuverlässigen Betrieb der elektrischen Anlage. Für Retrofit-Maßnahmen sind klappbare Stromwandler mit hoher Messgenauigkeit verfügbar. Diese können problemlos in Bestandsanlagen integriert werden und reduzieren den Installationsaufwand erheblich.
Produkte

1-kanaliges Überwachungsgerät für den zentralen Erdungspunkt

Messstromwandler

Teilbare Messstromwandler

1-kanaliges Überwachungsgerät für den zentralen Erdungspunkt

Messstromwandler

Teilbare Messstromwandler
| Name | Typ | Größe | Sprache | Zeitstempel | D-/B-Nummer |
|---|---|---|---|---|---|
| ZEP - Zentraler Erdungspunkt | Branchenbroschüren | 430.1 KB | DE | 2026/03/2323.03.2026 |

Kontaktieren Sie uns! Unsere Mitarbeiter helfen Ihnen gerne weiter.
ZUM KONTAKTFORMULARDie Technologie kurz erklärt und warum es unterschiedliche Geräte für unterschiedliche Applikationen gibt.
Welche Vorteile Differenzstromüberwachung in elektrischen Anlagen hat und welchen Nutzen Sie davon haben.
Wie Sie Abschaltungen und Stillstände von elektrischen Anlagen mit Differenzstromwachung verhindern können.